Welcome to the Treatise on Invertebrate Paleontology!
Please enter a genera name to retrieve more information.
Pseudolabechia
Classification
Phylum:
Porifera
Class:
Stromatoporoidea
Order:
Actinostromatida
Superfamily:
Unknown
Family:
Pseudolabechiidae
Formal Genus Name and Reference:
Pseudolabechia Yabe & SUGIYAMA, 1930, p. 59
Type Species:
P. granulata, OD
Images
(Click to enlarge in a new window)
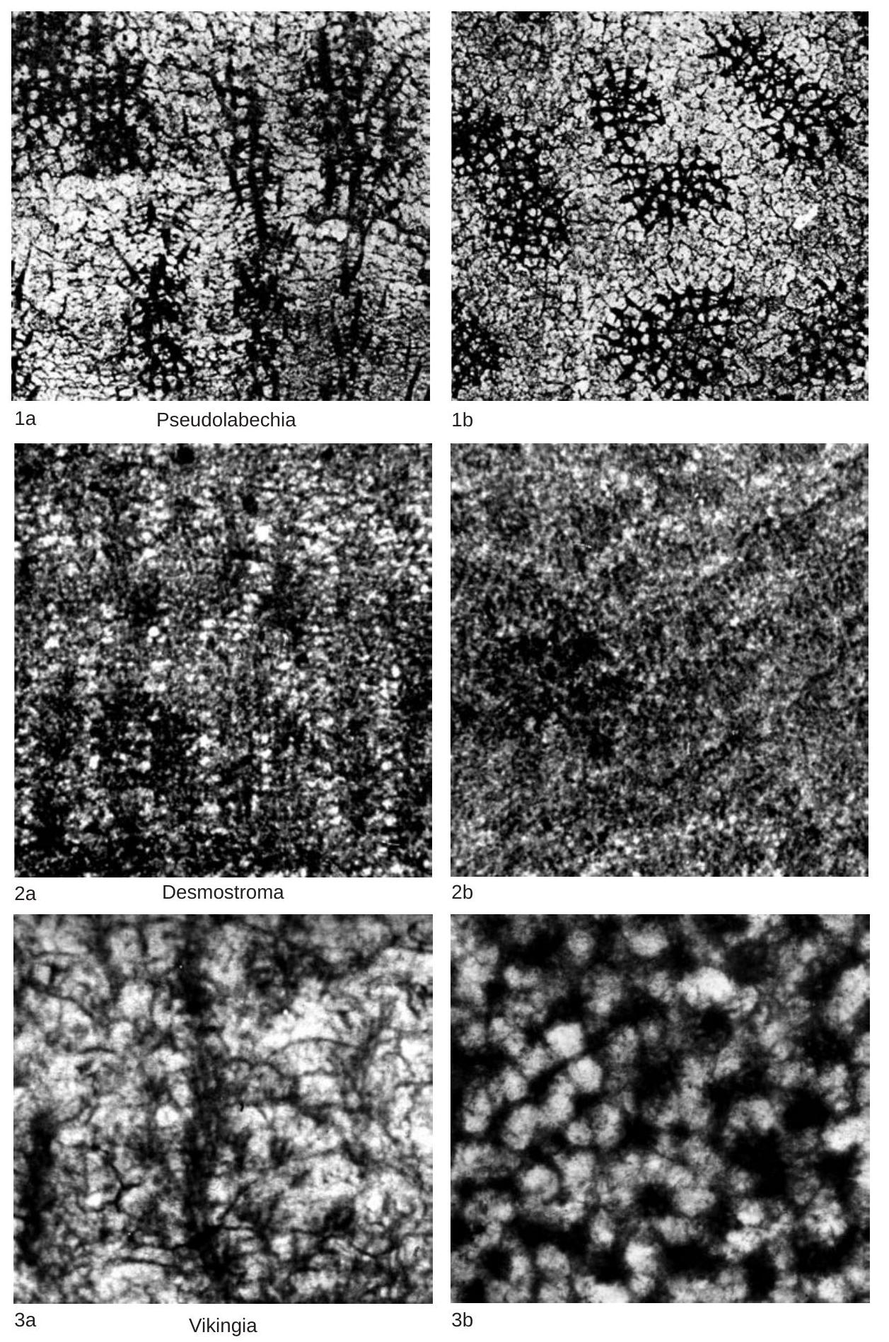
Fig. 427, 1a-b. *P. granulata, holotype, Hemse Beds, Ludlow, Gotland, Sweden, TUM 720, photomicrographs, a, longitudinal section, b, tangential section, X10 (Yabe & Sugiyama, 1930, pl. XXII, 11-12).
Synonyms
Geographic Distribution
Russia (Urals), Ukraine (Podolia), Wenlock, Estonia, Russia (Novaya Zemlya), Sweden (Gotland), Ludlow
Age Range
Beginning Stage in Treatise Usage:
middle Silurian (Wenlock)
Beginning International Stage:
Sheinwoodian
Fraction Up In Beginning Stage:
0
Beginning Date:
432.93
Ending Stage in Treatise Usage:
upper Silurian (Ludlow)
Ending International Stage:
Ludfordian
Fraction Up In Ending Stage:
100
Ending Date:
422.73
Description
Vertical skeletal elements with pillars diverging upward in columns, horizontal elements with colliculi in columns, microstructure compact
References
Yabe, Hisakatsu, & Toshio Sugiyama. 1930. On some Ordovician stromatoporoids from South Manchuria, North China and Chosen (Corea), with notes on two new European forms. Tohoku Imperial University Science Reports (series 2, Geology) 14:47-62, 5 fig., pl. 17-23, 2 tables.
Museum or Author Information
Classification
Phylum:
Porifera
Class:
Stromatoporoidea
Order:
Actinostromatida
Superfamily:
Unknown
Family:
Pseudolabechiidae
Formal Genus Name and Reference:
Pseudolabechia Yabe & SUGIYAMA, 1930, p. 59
Type Species:
P. granulata, OD
Images
(Click to enlarge in a new window)
Fig. 427, 1a-b. *P. granulata, holotype, Hemse Beds, Ludlow, Gotland, Sweden, TUM 720, photomicrographs, a, longitudinal section, b, tangential section, X10 (Yabe & Sugiyama, 1930, pl. XXII, 11-12).
Synonyms
Geographic Distribution
Russia (Urals), Ukraine (Podolia), Wenlock, Estonia, Russia (Novaya Zemlya), Sweden (Gotland), Ludlow
Age Range
Beginning Stage in Treatise Usage:
middle Silurian (Wenlock)
Beginning International Stage:
Sheinwoodian
Fraction Up In Beginning Stage:
0
Beginning Date:
432.93
Ending Stage in Treatise Usage:
upper Silurian (Ludlow)
Ending International Stage:
Ludfordian
Fraction Up In Ending Stage:
100
Ending Date:
422.73
Description
Vertical skeletal elements with pillars diverging upward in columns, horizontal elements with colliculi in columns, microstructure compact
References
Yabe, Hisakatsu, & Toshio Sugiyama. 1930. On some Ordovician stromatoporoids from South Manchuria, North China and Chosen (Corea), with notes on two new European forms. Tohoku Imperial University Science Reports (series 2, Geology) 14:47-62, 5 fig., pl. 17-23, 2 tables.
